ピグシステム設計
ピグシステムは、様々な種類の工場に設備として導入されています。
石油精製、石油化学、油槽所、港湾の施設などでは、
●油分を海上バース部分に残さないようにピグにてパージする
●C重油など冷めると固まる油を温度があるうちにピグでタンクへ移送し,
配管を加温するエネルギーコストを削減する。
●1つの配管設備を多品種で使用する場合、油種のコンタミネーション防止。
●ピグの移動距離,時間により配管内体積流量を計測する。
●高級高価な液の回収率アップ
また、食品工場では、
●多品種1ライン使用時のコンタミネーションの防止
●CIP作業効率の上昇
●CIP工程の洗浄水 廃液の低減
●製品回収率の向上
という目的で導入されています。
当社のピグシステム設計は、お客様と洗浄方法、
プラントの運転方法をまずお打ち合わせ致します。
ピグシステムの基本設計として、
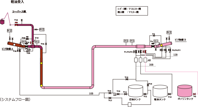
●ピグ動作を記入するシステムフロー図の作成
●ピグの動作に伴う流体の流れ、その際のバルブの開閉情報を記入したピグ動作図の作成
●流体の温度、走行方法を考慮したピグ種類の選定
●ピグディテクターの選定
●ランチャー・レシーバーの設計
●DCS及びPLCの設計に必要なバルブ開閉情報、ピグディテクターからの
信号ON/OFF情報の取りまとめを行います。


これらのピグシステムに使われるピグは、
●サッドピグ
●ハイパーピグ
●スフェアー
があります。これらのピグの材質としては、ポリウレタンをはじめ、二トリル、ネオプレン、バイトン、EPDMの材料でも製作が可能です。
また、食品用ピグについては、食品衛生法・食品,添加物等の基準(昭和34年厚生省告示第370号)に適合しています。
ピグは、お客様のシステム運転方法、プロセス流体の温度などを考慮され、選定されます。
スフェアー
サッドピグ/ハイパーピグ
また、このシステムを構築するのにピグディテクターが必要になります。この機能は、
●ライン上のピグ通過の確認
●ランチャーからの発射確認
●レシーバーへの到着確認
●リレーによるラインの自動運転
です。当社のピグディテクターは、マローニー社、アパッチ社、INLINE社、GD ENGINEERING社製のものを取り扱っております。
ピグ及び製品ラインに応じて、ディテクターは選定されます。
マローニー社製ディテクター
INLINE社製
その他、ランチャー/レシーバーからピグ取出しを安全且つ容易にするクロージャーの販売も行っております。
品質向上かつ安全に作業をできる仕組みを考えた当社のピグシステム設計をご用命ください。
また、当社はピグシステムの業務の一部として、下記ディテクターの補修業務も行っております。お気軽にお問い合わせください。
ディテクター メンテナンスプラン/海外品の調達
GD ENG OLD MODEL DETECTOR 補修例
1.ボスを生かした補修例(絶版モデルから新モデルへの交換)


2.GD ENG DETECTOR OLD MODELの補修
3.海外調達品について
上記はGDENGINERRING社製のピグディテクターの部品の修理、また既存の配管を改造することなく、Detectorを修理した一例です。この会社のディテクターは、日本に数多く納入されております。元々修理していた業者が消滅し、補修できる業者がいない、海外調達品なので、部品を購入できないというお客様のご要望に応えた例です。当社では、海外調達品で一個だけ部品を取りたい、“小さな会社の部品なので取り寄せ直接できますか?”というご用命にも応じております。お気軽に相談ください。
(例;GDENGINEERING 社クロージャーパッキンなどの輸入。Maloney 社製のマーカーなど。)
